Генератор "аксионного поля" - "КОМФОРТ"
Уже разработано множество эффективных генераторов "аксионного поля", но единственным в Мире, самым компактным, универсальным, безопасным и популярным генератором остается "Генератор аксионного поля с использованием векторного потенциала спиральной структуры". За шесть лет нами было изготовлено более ста генераторов. В течении этого времени конструкция генератора непрерывно совершенствовалась по основным критериям:
Рис.1
1) Компактный, ручной генератор;
2) Максимальная плотность "аксионного поля" вдоль луча;
3) Луч длиной ~ 1 метр;
4) Стабильность характеристик;
5) Безопасность.
Для увеличения безопасности работы с генератором "аксионного поля" мы стремились уменьшить повреждающее воздействие поля на человека и, более того, мы стремимся получить поле, создающее для человека ощущение комфорта. Комфорт - это интегральная характеристика качества воздействия поля на человека.
Сейчас нами изготавливаются генераторы (см. чертеж на рис.1), которые внешне сильно отличаются от генераторов, описанных в N2/96. Но в них по-прежнему используется вращение ферритового колечка 2 в векторном потенциале спиральной структуры, который создается тороидальными катушками 6, 9, намотанными на железные сердечники 5, 8 и цилиндрической катушкой 4.
Эти фрагменты мы уже видели в других конструкциях генераторов. Назначение верхней тороидальной катушки 6 и цилиндрической катушки 4 аналогично подобным катушкам в генераторах N2/96 , N3/96 , N1/98 , N2/98 и N3/99 . Нижняя тороидальная катушка 9 (см. аналогию в "Оптический генератор аксионного поля") в сочетании с серебряным стаканом 3 играет роль отражателя. Железный сердечник 9 выполнен в переменном сечении для выравнивания величины векторного потенциала вдоль радиуса дна стакана 3.
Если в генераторе N2/96 серебряный конус использовался как отражатель, то в новой конструкции генератора серебряный стаканчик играет роль проводника для "аксионного поля".
Все катушки помещены в железный экран 7. Ферритовое кольцо 2 приводится во вращательное движение через ось 1 двигателем D.
Такая конструкция более эффективна и компактна по сравнению с конструкцией, описанной в N2/96.
На серебряный стакан 3 подается положительное напряжение ~10 вольт и высокочастотные импульсы напряжения амплитудой 120-150 вольт, длительностью ~10-5 секунд, скважностью 2-3 и частотой 4.1 - 4.4 мегагерц.
Высокочастотные импульсы "оживляют" аксионное поле, усиливают ощущение комфорта у человека.
Для увеличения эффективности работы генератора, ферритовое кольцо 2 подвергается специальной обработке. Об этом читайте в следующем номере альманаха.
Генератор "аксионного поля"
Модератор: Princess
- Rabbit
- Сообщений: 98
- Зарегистрирован: 17 ноя 2023, 20:35
- Rabbit
- Сообщений: 98
- Зарегистрирован: 17 ноя 2023, 20:35
Re: Генератор "аксионного поля"
ГЕНЕРАТОР АКСИОННОГО ПОЛЯ С ИСПОЛЬЗОВАНИЕМ ВЕКТОРНОГО ПОТЕНЦИАЛА СПИРАЛЬНОЙ СТРУКТУРЫ
В СП №3/95, №5/95 описаны устройства, в которых генерация аксионного поля достигается путем вращения тел из материалов с собственной или наведенной анизотропией, направленной по отношению к оси вращения под углом не равным нулю.
Можно значительно усилить эффективность аксионной поляризации, используя наряду с механическим вращением анизотропию специальной структуры, меняющей свои характеристики в пространстве. В данной статье предлагается вниманию читателя прибор, использующий для усиления спиновой поляризации векторный потенциал (см. №1/96) спиральной структуры. (См. также предпатент Республики Казахстан №5366 G01N23/00 Бюл. №4 от 15.10.97)
Аналогично генератору аксионного поля приведенного в СП №3/95 предлагаемый прибор (см. чертеж) содержит излучатель 1 и отражатель 4 аксионного поля, причем излучатель выполнен из активного материала в виде полого цилиндра 1 (например, из кольца 20х12х6 феррита марки МН2000), приводимого во вращательное движение вокруг оси 3, конуса отражателя 4, подмагничевающего устройства, состоящего из двух цилиндрических железных сердечников 8 и 11. На сердечник 8 намотана медным проводом цилиндрическая электрическая катушка 9, а на сердечник 11 намотана тороидальная катушка 10 и цилиндрическая 12. Привод полого цилиндра 13 на рисунке не показан.
Работает предложенная конструкция следующим образом.
Электрическая катушка 9 подмагничевающего устройства создает в области вращающегося цилиндра 2 векторный потенциал кольцевой структуры, а тороидальная электрическая катушка 10 создает осерадиальный векторный потенциал, при этом катушка 12 исключает замыкание магнитного поля сердечника 8 на сердечник 11. Наложение магнитного поля кольцевой структуры и осерадиального формирует магнитное поле спиральной структуры, которое вызывает аксионную поляризацию материалов, попадающих в область его действия, в том числе и сердечника 8. В результате вращающийся цилиндр оказывается под действием векторного потенциала спиральной структуры и аксионного поля, создаваемого аксионно поляризованным сердечником 8, что значительно увеличивает величину аксионной поляризации цилиндра и величину его аксионного излучения. Такой режим позволяет использовать в качестве активного материала материалы, "пассивные" по отношению к магнитному полю.
Подмагничевающее устройство данной конструкции может быть использовано как самостоятельное устройство, генерирующее аксионные поля малой напряженности.
Данная конструкция позволяет изготовить компактный аксионный прожектор с оперативно перестраиваемой характеристикой.
В проработке данной конструкции аксионного генератора, оказал неоценимую помощь П.М.Мячин.
Смотрите продолжение данной темы в "Пассивные резонаторы аксионных полей" и в №3/96.
В СП №3/95, №5/95 описаны устройства, в которых генерация аксионного поля достигается путем вращения тел из материалов с собственной или наведенной анизотропией, направленной по отношению к оси вращения под углом не равным нулю.
Можно значительно усилить эффективность аксионной поляризации, используя наряду с механическим вращением анизотропию специальной структуры, меняющей свои характеристики в пространстве. В данной статье предлагается вниманию читателя прибор, использующий для усиления спиновой поляризации векторный потенциал (см. №1/96) спиральной структуры. (См. также предпатент Республики Казахстан №5366 G01N23/00 Бюл. №4 от 15.10.97)
Аналогично генератору аксионного поля приведенного в СП №3/95 предлагаемый прибор (см. чертеж) содержит излучатель 1 и отражатель 4 аксионного поля, причем излучатель выполнен из активного материала в виде полого цилиндра 1 (например, из кольца 20х12х6 феррита марки МН2000), приводимого во вращательное движение вокруг оси 3, конуса отражателя 4, подмагничевающего устройства, состоящего из двух цилиндрических железных сердечников 8 и 11. На сердечник 8 намотана медным проводом цилиндрическая электрическая катушка 9, а на сердечник 11 намотана тороидальная катушка 10 и цилиндрическая 12. Привод полого цилиндра 13 на рисунке не показан.
Работает предложенная конструкция следующим образом.
Электрическая катушка 9 подмагничевающего устройства создает в области вращающегося цилиндра 2 векторный потенциал кольцевой структуры, а тороидальная электрическая катушка 10 создает осерадиальный векторный потенциал, при этом катушка 12 исключает замыкание магнитного поля сердечника 8 на сердечник 11. Наложение магнитного поля кольцевой структуры и осерадиального формирует магнитное поле спиральной структуры, которое вызывает аксионную поляризацию материалов, попадающих в область его действия, в том числе и сердечника 8. В результате вращающийся цилиндр оказывается под действием векторного потенциала спиральной структуры и аксионного поля, создаваемого аксионно поляризованным сердечником 8, что значительно увеличивает величину аксионной поляризации цилиндра и величину его аксионного излучения. Такой режим позволяет использовать в качестве активного материала материалы, "пассивные" по отношению к магнитному полю.
Подмагничевающее устройство данной конструкции может быть использовано как самостоятельное устройство, генерирующее аксионные поля малой напряженности.
Данная конструкция позволяет изготовить компактный аксионный прожектор с оперативно перестраиваемой характеристикой.
В проработке данной конструкции аксионного генератора, оказал неоценимую помощь П.М.Мячин.
Смотрите продолжение данной темы в "Пассивные резонаторы аксионных полей" и в №3/96.
- Rabbit
- Сообщений: 98
- Зарегистрирован: 17 ноя 2023, 20:35
Re: Генератор "аксионного поля"
Модуляция "аксионного поля"
"Аксионное поле" очень слабо взаимодействует с веществом и в основном это взаимодействие имеет резонансный характер.
Естественно, возникает мысль - непрерывно изменять в некоторых пределах спектр собственных частот "аксионного поля" для усиления его взаимодействия с привычной нами материей.
Такую модуляцию можно получить, например, изменяя электрический ток в тороидальных катушках "оптического генератора аксионного поля" (см. N2/99). В "оптическом генераторе" при частоте модуляции ~8 килогерц и глубине модуляции ~60% наблюдалось усиление взаимодействия "аксионного поля" с воздухом (более отчетливо проявилось воздушное марево), и наблюдалось усиление напряженности самого поля. Последнее, по-видимому, связано с резонансным включением в работу дополнительного количества ядер атомов материалов конструкции генератора. Дальнейшее увеличение напряженности поля достигается заменой модуляционных колебаний синусоидальной формы на импульсную со скважностью ~8.
Этот эффект усиливается, если к основной частоте модуляции добавлять более высокочастотную компоненту (~ 20 килогерц) с амплитудой в два раза меньшей основной.
В генераторе, описанном в N2/96, синхронное колебание токов в катушках с частотой ~8 герц дает аналогичный эффект.
"Аксионное поле" очень слабо взаимодействует с веществом и в основном это взаимодействие имеет резонансный характер.
Естественно, возникает мысль - непрерывно изменять в некоторых пределах спектр собственных частот "аксионного поля" для усиления его взаимодействия с привычной нами материей.
Такую модуляцию можно получить, например, изменяя электрический ток в тороидальных катушках "оптического генератора аксионного поля" (см. N2/99). В "оптическом генераторе" при частоте модуляции ~8 килогерц и глубине модуляции ~60% наблюдалось усиление взаимодействия "аксионного поля" с воздухом (более отчетливо проявилось воздушное марево), и наблюдалось усиление напряженности самого поля. Последнее, по-видимому, связано с резонансным включением в работу дополнительного количества ядер атомов материалов конструкции генератора. Дальнейшее увеличение напряженности поля достигается заменой модуляционных колебаний синусоидальной формы на импульсную со скважностью ~8.
Этот эффект усиливается, если к основной частоте модуляции добавлять более высокочастотную компоненту (~ 20 килогерц) с амплитудой в два раза меньшей основной.
В генераторе, описанном в N2/96, синхронное колебание токов в катушках с частотой ~8 герц дает аналогичный эффект.
- Rabbit
- Сообщений: 98
- Зарегистрирован: 17 ноя 2023, 20:35
Re: Генератор "аксионного поля"
Измерение аксионных (спиновых) полей
(Продолжение, начало в N1/98)
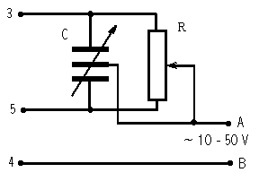
Для измерения аксионных полей активный элемент генератора, описанного в №2/97, имеет смысл переделать так, как, это показано на рис.1. Электроды 3, 4 и 5 необходимо выполнить из олова или алюминия, и обеспечить хороший контакт с поверхностью ферритовой трубки. Феррит необходимо выбирать с максимально возможной магнитной проницаемостью и удельным электрическим сопротивлением.
Рис.1
Рис.2
На электроды 3 и 5 подается переменное напряжение амплитудой 10 - 50 вольт относительно электрода 4, и частотой 300 - 1500 Кгц (при толщине стенок ферритовой трубки 1 - 4 мм) через схему, изображенную на рис.2.
Настройкой балансировочного конденсатора C и резистора R, необходимо добиться минимального значения напряжения на выводах обмотки 1,2 при отсутствии аксионного поля.
Переменное напряжение на электродах 3,4 и 5, отклоняет НИТИ аксионного поля, проходящие через ферритовую трубку параллельно ее оси то к ее центру, то к ее периметру. Это эквивалентно периодическому вводу и выводу витка с током в ферритовую трубку. Параметры конструкции необходимо выбирать исходя из предположения, что эквивалентный ток НИТЕЙ аксионного поля может достигать 10-12 - 10-15 ампер с внутренним электрическим сопротивлением 1014 - 1016 ом. Естественно, эффективный ток может быть усилен, а сопротивление уменьшено на два-три порядка, если использовать схему введения обратной связи по аксионному полю, как это предложено в N1/98.
Наряду с переменным напряжением на контакты A и B желательно подать регулируемое постоянное напряжение для смещения аксионных НИТЕЙ в рабочую область детектора (стенки ферритовой трубки).
Рис.3
Аксионные поля с небольшим продольным импульсом можно промодулировать, используя трехслойный конденсатор с обкладками из тонкой алюминиевой фольги 3,4,5 (рис.3) и полиэтилентерефталатным диэлектриком (конденсаторы типа К73-5, К73-8, …).
Обкладки 3 и 5 заземляются, а на обкладку 4 подается пульсирующее положительное напряжение, обеспечивающее периодическое запирание аксионного луча, направляемого сквозь конденсатор и ферритовую трубку по его оси. При этом полиэтилентерефталатный диэлектрик позволяет на порядок снизить запирающее напряжение.
При такой конструкции модулятора нет необходимости в электродах покрывающих ферритовую трубку, но, для регулировки положения НИТЕЙ аксионного поля в рабочей области детектора (стенки ферритовой трубки), возникает необходимость пропускать ток смещения через измерительную обмотку 1,2 (на 1 подается +).
В данной конструкции также имеет смысл использовать схему введения обратной связи по аксионному полю, как это предложено в N1/98.
При измерении самой большой проблемой будет согласование большого внутреннего "электрического" сопротивления аксионного поля с входным сопротивлением измерительного прибора и паразитными электрическими емкостями конструкции. По идее, детектор должен выполнять функцию трансформатора с большим коэффициентом понижения напряжения (~109), т.е. измерительная обмотка 1,2 должна будет содержать много меньше одного витка провода. Как это сделать? Это можно сделать, разбив весь магнитный поток, в стенках ферритовой трубки, на множество фрагментов, охваченных одним витком так, как это, например, показано на рис.4 или 5.
Рис.5
Рис.4
Расположение витков обмотки 1,2 должно обеспечивать минимальную межвитковую емкость.
Рис.6
Управлять аксионным полем можно и магнитным полем (пропуская переменный ток через электрическую обмотку 5,6), используя для измерения дифференциальную схему (по выводам 1,2,4). Но при этом необходимо будет приложить много усилий по электрической (и магнитной) балансировке измерительной цепи.
В качестве сердечника 3 можно использовать ферромагнитную пленку и нет особого смысла придерживаться формы тороида. Так, например, можно тороид на рис.5 и 6 сжать с боков и намотать им спираль. Затем, плотно сжав витки ферромагнитной пленки, сформировать множество локальных замкнутых магнитных цепей со своими магнитными обмотками (таким образом увеличивая эффективность использования объема детектора), и т.д.
(Продолжение, начало в N1/98)
Для измерения аксионных полей активный элемент генератора, описанного в №2/97, имеет смысл переделать так, как, это показано на рис.1. Электроды 3, 4 и 5 необходимо выполнить из олова или алюминия, и обеспечить хороший контакт с поверхностью ферритовой трубки. Феррит необходимо выбирать с максимально возможной магнитной проницаемостью и удельным электрическим сопротивлением.
Рис.1
Рис.2
На электроды 3 и 5 подается переменное напряжение амплитудой 10 - 50 вольт относительно электрода 4, и частотой 300 - 1500 Кгц (при толщине стенок ферритовой трубки 1 - 4 мм) через схему, изображенную на рис.2.
Настройкой балансировочного конденсатора C и резистора R, необходимо добиться минимального значения напряжения на выводах обмотки 1,2 при отсутствии аксионного поля.
Переменное напряжение на электродах 3,4 и 5, отклоняет НИТИ аксионного поля, проходящие через ферритовую трубку параллельно ее оси то к ее центру, то к ее периметру. Это эквивалентно периодическому вводу и выводу витка с током в ферритовую трубку. Параметры конструкции необходимо выбирать исходя из предположения, что эквивалентный ток НИТЕЙ аксионного поля может достигать 10-12 - 10-15 ампер с внутренним электрическим сопротивлением 1014 - 1016 ом. Естественно, эффективный ток может быть усилен, а сопротивление уменьшено на два-три порядка, если использовать схему введения обратной связи по аксионному полю, как это предложено в N1/98.
Наряду с переменным напряжением на контакты A и B желательно подать регулируемое постоянное напряжение для смещения аксионных НИТЕЙ в рабочую область детектора (стенки ферритовой трубки).
Рис.3
Аксионные поля с небольшим продольным импульсом можно промодулировать, используя трехслойный конденсатор с обкладками из тонкой алюминиевой фольги 3,4,5 (рис.3) и полиэтилентерефталатным диэлектриком (конденсаторы типа К73-5, К73-8, …).
Обкладки 3 и 5 заземляются, а на обкладку 4 подается пульсирующее положительное напряжение, обеспечивающее периодическое запирание аксионного луча, направляемого сквозь конденсатор и ферритовую трубку по его оси. При этом полиэтилентерефталатный диэлектрик позволяет на порядок снизить запирающее напряжение.
При такой конструкции модулятора нет необходимости в электродах покрывающих ферритовую трубку, но, для регулировки положения НИТЕЙ аксионного поля в рабочей области детектора (стенки ферритовой трубки), возникает необходимость пропускать ток смещения через измерительную обмотку 1,2 (на 1 подается +).
В данной конструкции также имеет смысл использовать схему введения обратной связи по аксионному полю, как это предложено в N1/98.
При измерении самой большой проблемой будет согласование большого внутреннего "электрического" сопротивления аксионного поля с входным сопротивлением измерительного прибора и паразитными электрическими емкостями конструкции. По идее, детектор должен выполнять функцию трансформатора с большим коэффициентом понижения напряжения (~109), т.е. измерительная обмотка 1,2 должна будет содержать много меньше одного витка провода. Как это сделать? Это можно сделать, разбив весь магнитный поток, в стенках ферритовой трубки, на множество фрагментов, охваченных одним витком так, как это, например, показано на рис.4 или 5.
Рис.5
Рис.4
Расположение витков обмотки 1,2 должно обеспечивать минимальную межвитковую емкость.
Рис.6
Управлять аксионным полем можно и магнитным полем (пропуская переменный ток через электрическую обмотку 5,6), используя для измерения дифференциальную схему (по выводам 1,2,4). Но при этом необходимо будет приложить много усилий по электрической (и магнитной) балансировке измерительной цепи.
В качестве сердечника 3 можно использовать ферромагнитную пленку и нет особого смысла придерживаться формы тороида. Так, например, можно тороид на рис.5 и 6 сжать с боков и намотать им спираль. Затем, плотно сжав витки ферромагнитной пленки, сформировать множество локальных замкнутых магнитных цепей со своими магнитными обмотками (таким образом увеличивая эффективность использования объема детектора), и т.д.
-
zhelj
- Забанен

- Сообщений: 198
- Зарегистрирован: 25 ноя 2023, 17:57
Re: Генератор "аксионного поля"
Так о каком поле идёт речь? Взаимодействие каких миров или какого мира описывает это поле? Если судить по рисункам, то это взаимодействие зарядов элементарных частиц с миром эфира. Я называю это поле электромагнитным. Или я не прав? Но даже если я прав, то по большому счёту можно выделить ту или иную частоту поля. Объясните свою мысль.
No Passaran!
- Rabbit
- Сообщений: 98
- Зарегистрирован: 17 ноя 2023, 20:35
Re: Генератор "аксионного поля"
zhelj писал(а):Так о каком поле идёт речь? Взаимодействие каких миров или какого мира описывает это поле? Если судить по рисункам, то это взаимодействие зарядов элементарных частиц с миром эфира. Я называю это поле электромагнитным. Или я не прав? Но даже если я прав, то по большому счёту можно выделить ту или иную частоту поля. Объясните свою мысль.
При наведении в катушке электрического поля, возникает и магнитное-это вы должны знать, как электрик.
Но, кроме магнитного и электрического, вдоль потока электронов, так же возникает поле НЕЭЛЕКТРОМАГНИТНОЙ природы,
которое слабее магнитного и электрического, в десятки раз.
Это "Х"-поле не взаимодействует ни с металлами, ни с диэлектриками, почти не взаимодействует.
Но хорошо взаимодействует с токами.
В разное время, разными независимыми исследователями этому полю присвоены разные названия:
Н.Тесла-радиант, В.Райх-оргонная энергия, Э.Теллер-гравитационное поле заряда, Шпильман, Мишин, Чертог-аксионное поле, торсионное поле,
Николаев-скалярное магнитное поле...
Список на самом деле большой, но речь идет об одном и том же.
Принцесса расскажет об этом лучше, в ее лаборатории как минимум с десяток очень мощных генераторов созданы на этих принципах.
Основная проблема, почему классическая физика обходит это стороной, трудность обнаружения этого поля.
-
zhelj
- Забанен

- Сообщений: 198
- Зарегистрирован: 25 ноя 2023, 17:57
Re: Генератор "аксионного поля"
Давайте определимся. Электрическое поле - это поле стационарных зарядов. Подобные заряды содержат элементарные частицы. Магнитное поле - это поток частиц эфира. Источник - орбита электрона в атоме или межатомарные связи вещества. Возможно и то и другое. Это не точно, следует определить. Поток эфира движется подобно океанскому течению. К сожалению тут много неясного. Торсионное поле - Уменьшение плотности эфира за счёт инерционных свойств его частиц. Для этого необходимо вращение вещества тела, которое создаёт это поле. Свободные частицы эфира частично покидают тело, создавая недостаток веса тела. результат - эффект гироскопа. Тоже требуется уточнение природы явления. Аксионное поле с видимым вращением тела не связано. Следовательно, это явление должно иметь дополнительное обоснование.
No Passaran!
- Princess
- Системный администратор

- Сообщений: 499
- Зарегистрирован: 16 янв 2020, 21:34
- Откуда: Moscow
- Gender:
- Контактная информация:
Re: Генератор "аксионного поля"
zhelj писал(а):Давайте определимся. Электрическое поле - это поле стационарных зарядов. Подобные заряды содержат элементарные частицы. Магнитное поле - это поток частиц эфира. Источник - орбита электрона в атоме или межатомарные связи вещества. Возможно и то и другое. Это не точно, следует определить. Поток эфира движется подобно океанскому течению. К сожалению тут много неясного. Торсионное поле - Уменьшение плотности эфира за счёт инерционных свойств его частиц. Для этого необходимо вращение вещества тела, которое создаёт это поле. Свободные частицы эфира частично покидают тело, создавая недостаток веса тела. результат - эффект гироскопа. Тоже требуется уточнение природы явления. Аксионное поле с видимым вращением тела не связано. Следовательно, это явление должно иметь дополнительное обоснование.
Если Вы посмотрите в первоисточнике, на сайте автора, то там будет следующее предупреждение:
======================================
Вы можете приобрести генератор описанной конструкции.
Внимание, этот генератор не волшебная палочка!
Основное его предназначение - это проведение исследований
(Справки по E-mail: alexandrshpilman78@gmail.com )
======================================
Этот форум, создан как записная книжка, в которую я и мои коллеги скидывают нужные материалы, и не более того.
Если Вы хотите обсудить теорию генератора, то лучше связаться напрямую с автором: http://spinfields.narod.ru/ALMANACH/
Здесь только отмечу, что действительно нами было собрано несколько похожих устройств, но только для узкоспециализированного применения.
- Princess
- Системный администратор

- Сообщений: 499
- Зарегистрирован: 16 янв 2020, 21:34
- Откуда: Moscow
- Gender:
- Контактная информация:
Re: Генератор "аксионного поля"
zhelj писал(а):Электрическое поле - это поле стационарных зарядов.
Подобные заряды содержат элементарные частицы. Магнитное поле - это поток частиц эфира. Источник - орбита электрона в атоме или межатомарные связи вещества.
Поток эфира движется подобно океанскому течению.
Торсионное поле - Уменьшение плотности эфира за счёт инерционных свойств его частиц.
Для этого необходимо вращение вещества тела, которое создаёт это поле.
Свободные частицы эфира частично покидают тело, создавая недостаток веса тела. результат - эффект гироскопа.
Тоже требуется уточнение природы явления.
Аксионное поле с видимым вращением тела не связано. Следовательно, это явление должно иметь дополнительное обоснование.
Это общепринятая у нас (альтернативщиков) модель электромагнитных явлений, и со временем будет уточняться.
Когда читаем "аксионное" или "торсионное", "гравитационное", то подразумевать надо именно вихрь эфира.
-
zhelj
- Забанен

- Сообщений: 198
- Зарегистрирован: 25 ноя 2023, 17:57
Re: Генератор "аксионного поля"
Princess писал(а):
Это общепринятая у нас (альтернативщиков) модель электромагнитных явлений, и со временем будет уточняться.
Когда читаем "аксионное" или "торсионное", "гравитационное", то подразумевать надо именно вихрь эфира.
Ладно, тогда я буду нетернативщик (не альтернативщик, но и не ортодокс), задающий вопросы.
Когда читаем "ложное" поле, то подразумевать надо именно вихрь эфира?
No Passaran!