декодирование патента Капанадзе:
[A-circuit is a current source, B-circuit is a voltage source]
alternative energy channel in telegram
טאריאל קאפאנאדזה 4.8 קילוואט מחולל לאנרגיה חופשית [2015]
הסבר:
במכשירים אלה ודומים להם, רכיב הזרם ביציאה מוגבר בדרך כלל על פי עיקרון ההמרה הקיבולית באמצעות העברה והסבה של דחפים מאוד חזקים וקצרים במתח גבוה ממעגל חשמלי אחד למעגל חשמלי נפרד.
הפטנטים מתארים שני מעגלים או שני בלוקים נפרדים. המעגל או הבלוק הראשון מכיל מקור מתח, לרוב אינברטר או טרנספורמטור.
המעגל או הבלוק השני מכיל מקור זרם, המורכב מייצרן פולסים גבוהי מתח שמפיק פולסים מאוד חזקים וקצרים.
ביציאת המעגל הראשון נמצא "מגבר זרם" או מכשיר להוספת זרם, שיכול להיות סליל קבלים או סליל קבל-בובינה ["קולבס"]. בפיו, הפולסים הגבוהים מהמעגל השני מומר לזרם במעגל החשמלי של האינברטר, שם הוא משתלב כחלק מהזרם הכולל ביציאה.
באופן עקיף זה, על חשבון צריכת הספק נמוכה מהספק המקור, רכיב הזרם ביציאת האינברטר מוגבר, מה שמוביל למעשה להגדלת הספק המכשיר בהשוואה לקלט. מה שלעיתים מכנים "אנרגיה חופשית" או "עודף אנרגטי" הוא למעשה תוצאה של שילוב התהליכים במכשיר.
Tariel Kapanadze - green box_ patent
Tariel Kapanadze - aquarium_ patent
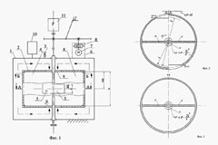
a one example with a schematic with an unknown author that corresponds to the patent of Kapanadze:

эксперимент DL:
https://disk.yandex.ru/d/Pv3TWYZc3H9rY7
п.п. хотел запазить тему чистую, без всякие "уводы в сторону" с другие участниках, но увы