Качер Бровина

МАТЕРИЯ, ЭНЕРГИЯ, ГРАВИТАЦИЯ, СВЁРНУТЫЕ ИЗМЕРЕНИЯ, ФИЗИЧЕСКАЯ ПРИРОДА ВРЕМЕНИ на основе амерно-доменной теории эфира.

Модератор: Princess

Сообщение
Автор
zhelj
Забанен
Забанен
Сообщений: 198
Зарегистрирован: 25 ноя 2023, 17:57

Re: Качер Бровина

#11 Сообщение zhelj » 25 дек 2023, 21:36

Это тоже качер. Одна беда: видео не скачивается.
Фазное замыкание на 110 кВ северной ЛЭП.
No Passaran!

Аватар пользователя
ale
Сообщений: 211
Зарегистрирован: 30 авг 2020, 11:12

Re: Качер Бровина

#12 Сообщение ale » 27 дек 2023, 02:24

В предположении, что годограф качера является фигурой Лиссажу, была построена
модель процесса.
МатМодель годографа качера в прцессе развития..jpg
Моделирование годографа качера и фото реального.

Совпадение налицо.
Однако в процессе работы качер работает строго на резонансе ВВ катушки.
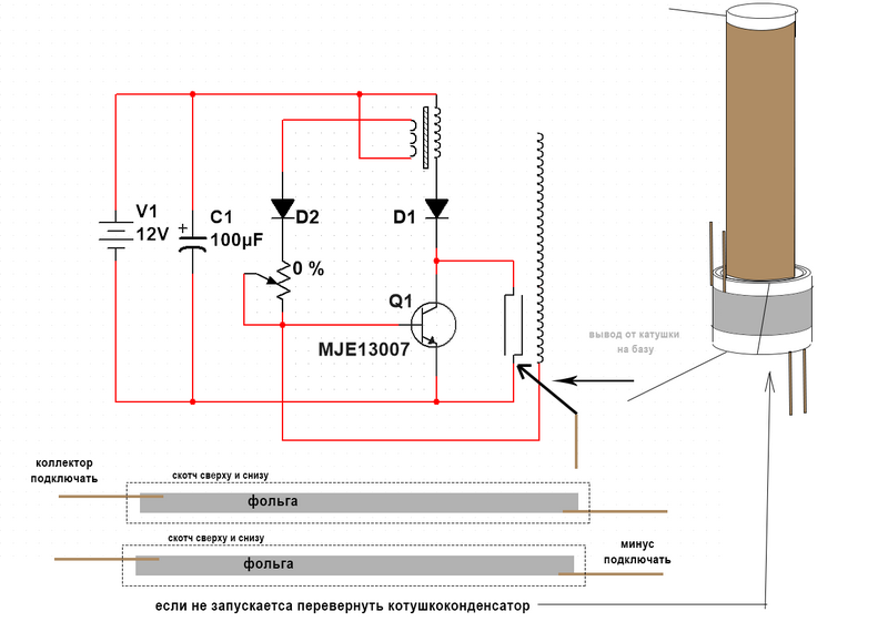
схема качера : download/file.php?id=1226&mode=view
Но тогда откуда берётся вторая частота, необходимая для построения фигуры Лиссажу ?
Судя по схеме, ей взяться неоткуда. Остаётся предположить, что здесь
немного иная физика процесса, чем в обычном автогенераторе.

Создав мат. модель годографа качера ( фото выше) я методом подбора определил грубо соотношение частот
f1 \ f2 = 16 \ 11 = 1.45
При таком соотношении частот мат. модель оказалась достаточно близка к фото реального годографа.

Так откуда взяться f2 ???????
Но если f2 не существует, то приходится признать наличие 2-х процессов.
Первый идёт со скоростью V1
Второй с V2= 1.45*V1
Если V1=C, то V2= 1.45*C2 =435 000 км\сек. что довольно близко к данным в "Патент 787,412"
Необходимо отметить, что в интернете встречаются различные значения для C2

Val
Сообщений: 57
Зарегистрирован: 21 дек 2023, 03:31
Gender:

Re: Качер Бровина

#13 Сообщение Val » 27 дек 2023, 05:27

ale писал(а):Но тогда откуда берётся вторая частота, необходимая для построения фигуры Лиссажу ?
Судя по схеме, ей взяться неоткуда. Остаётся предположить, что здесь
немного иная физика процесса, чем в обычном автогенераторе.

Похоже, что если заэкранируете хотя бы дроссель (можно ещё и конденсатор, если он в пластике), в цепи питания, (оберните фольгой какой-нибудь и фольгу присоедините к минусовому проводу) , то и осциллограмма изменится...
(от первичной обмотки идёт мощный импульс, который может наводить ЭДС даже в дорожках, если у Вас на травлёной плате всё собрано, не говоря уже о навесном монтаже).

Аватар пользователя
ale
Сообщений: 211
Зарегистрирован: 30 авг 2020, 11:12

Re: Качер Бровина

#14 Сообщение ale » 27 дек 2023, 21:55

Импульс возбуждения - не самое интересное.
А вот прямая bc пожалуй покруче будет.
Осциллограмма качера с переходом С2.jpg
Осциллограмма качера с переходом bc

Без всяких внешних воздействий Sin процесс переходит в прямую линию с более высокой крутизной
(циклическое самоускорение процесса).
Затем притормаживает, и возвращается к своему Sin, как ни в чём не бывало.
Прерывистый трек bc говорит о том, что это не совсем обычный ЭМ-процесс в ВВ катушке.

waw
Забанен за флуд
Забанен за флуд
Сообщений: 73
Зарегистрирован: 14 дек 2023, 18:49

Re: Качер Бровина

#15 Сообщение waw » 29 дек 2023, 20:58

ale писал(а):Качер - простое и наглядное устройство исследования. Далеко не шокер.
К сожалению в интернете обзывают качерами всё подряд.
1. первоначально качер Бровина, это скорее генератор пачек импульсов. .


В отличай от тр-ра Тесла у качера в схеме транзистор, вместо разрядника Тесла. Транзистор жрёт энергии немерено. Из за этого у качера ограничена мощность мощностью транзистора.

Изображение



Изображение

Аватар пользователя
ale
Сообщений: 211
Зарегистрирован: 30 авг 2020, 11:12

Re: Качер Бровина

#16 Сообщение ale » 30 дек 2023, 02:08

схем качера выложено масса, но толку от этого как правило мало.
Вариант исполнения качера.jpg
вариант исполнения качера
Качер с ёмкостью для  возбуждения.jpg
Качер с возбуждением через ёмкость

Мощный качер Бровина на 4-х транзисторах.png
Мощный качер
Схема качера с С-индуктором.png
емкостной индуктор

В основном всё это имеет отношение к качеру_2, т.е чисто эстетическое искропускательство. :P

Аватар пользователя
ale
Сообщений: 211
Зарегистрирован: 30 авг 2020, 11:12

Re: Качер Бровина

#17 Сообщение ale » 30 дек 2023, 02:23

Однако в зависимости от конструктива, режима работ и качер_2 иногда
позволяет наблюдать интересные эффекты.
Свечение воздуха вблизи ВВ  конца  качера.jpg
Свечение воздуха вблизи ВВ конца качера

Вот например отдалённый аналог свечения газа в лампе по 1 проводу.
По мне так куда более интересен для изучения физики Ф.В. качер_3.

waw
Забанен за флуд
Забанен за флуд
Сообщений: 73
Зарегистрирован: 14 дек 2023, 18:49

Re: Качер Бровина

#18 Сообщение waw » 30 дек 2023, 02:50

ale писал(а):схем качера выложено в сети множество.
Вариант исполнения качера.jpg
Качер с ёмкостью для возбуждения.jpg

Мощный качер Бровина на 4-х транзисторах.png
Схема качера с С-индуктором.png

Но в основном это имеет отношение к качеру_2, т.е чистое искропускательство. :P


Схемы 2 и 4 не рабочие.Однозначно. Отличается тр-тор Тесла от качера только тем, что у первого разрядник у второго транзистор. Может камер выдать столько энергии?




Изображение

Изображение

Аватар пользователя
ale
Сообщений: 211
Зарегистрирован: 30 авг 2020, 11:12

Re: Качер Бровина

#19 Сообщение ale » 30 дек 2023, 13:03

waw писал(а): ...Может камер выдать столько энергии?

Как сказано выше, это направление искропускательство
Желание помериться, у кого искра больше :D
В отношении схем с ёмкостным возбуждением не надо заявлять так категорично.
ферритовое кольцо и  2  конденсатора.jpg
ферритовое кольцо и 2 конденсатора

Трансформация ЭМ через конденсаторы с использованием ферритового кольца.

waw
Забанен за флуд
Забанен за флуд
Сообщений: 73
Зарегистрирован: 14 дек 2023, 18:49

Re: Качер Бровина

#20 Сообщение waw » 30 дек 2023, 13:37

ale писал(а):
waw писал(а): ...Может камер выдать столько энергии?

Как сказано выше, это направление искропускательство
Желание помериться, у кого искра больше :D
В отношении схем с ёмкостным возбуждением не надо заявлять так категорично.
ферритовое кольцо и 2 конденсатора.jpg

Трансформация ЭМ через конденсаторы с использованием ферритового кольца.


В схеме качура конденсатор выполняет роль фильтра. и ничего более. Сама схема не выдерживает ни какой критики.




Изображение

Феррит для качера. Нонсенс. Разве что в дроссель фильтра приделают для понтов.


Вернуться в «НОВАЯ ФИЗИКА МИРОЗДАНИЯ»