Качер Бровина
Модератор: Princess
-
zhelj
- Забанен

- Сообщений: 198
- Зарегистрирован: 25 ноя 2023, 17:57
Re: Качер Бровина
Тесла дал миру электричество. Дайте и вы миру атмосферное электричество.
- ale
- Сообщений: 219
- Зарегистрирован: 30 авг 2020, 11:12
Re: Качер Бровина
[quote="zhelj"]Тесла дал миру электричество. Дайте и вы миру атмосферное электричество.[/quote]
Меня не интересует вопрос атмосферного электричества.
Нечего напрягать других. Хочешь - давай сам миру....
[attachment=1]Сергей Драч м.jpg[/attachment]
Статика тебе в помощь!
А мы уж как-нибудь по старинке, с мат. моделью пичка качера и реальным процессом будем разбираться с физикой вакуума.
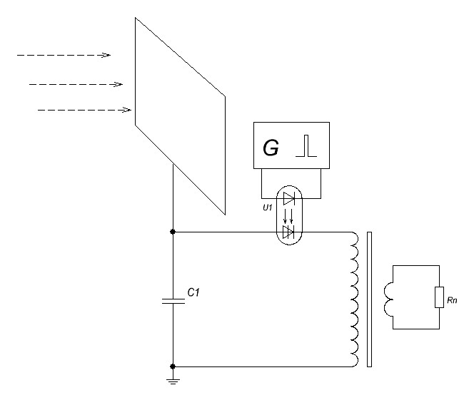
[attachment=0]Качер со смещением_м.jpg[/attachment]
Кстати, немного о статике качера:
При изолированном от земли исполнении схема качера оказывается под постоянным напряжением смещения U1,
достигающем нескольких тысяч вольт относительно земли. Связано это с различной скоростью рекомбинации +- зарядов
на распределённой ёмкости Cr.
Меня не интересует вопрос атмосферного электричества.
Нечего напрягать других. Хочешь - давай сам миру....
[attachment=1]Сергей Драч м.jpg[/attachment]
Статика тебе в помощь!
А мы уж как-нибудь по старинке, с мат. моделью пичка качера и реальным процессом будем разбираться с физикой вакуума.
[attachment=0]Качер со смещением_м.jpg[/attachment]
Кстати, немного о статике качера:
При изолированном от земли исполнении схема качера оказывается под постоянным напряжением смещения U1,
достигающем нескольких тысяч вольт относительно земли. Связано это с различной скоростью рекомбинации +- зарядов
на распределённой ёмкости Cr.
- ale
- Сообщений: 219
- Зарегистрирован: 30 авг 2020, 11:12
Re: Качер Бровина
Немного о патенте Н.Тесла для любителей атмосферного электричества.
В итоге весь патент сводится к заряду конденсатора статическим напряжением и разряду через ключ на нагрузку.
Реально скорость заряда конденсатора низкая, рабочая частота ограничена где-то на уровне 20 кГц.
Вилка Авраменко нам в помощь.
ПАТЕНТНОЕ ВЕДОМСТВО СОЕДИНЕННЫХ ШТАТОВ АМЕРИКИ.
НИКОЛА ТЕСЛА, ИЗ НЬЮ-ЙОРКА, ШТАТ НЬЮ-ЙОРК.
МЕТОД ИСПОЛЬЗОВАНИЯ ЛУЧИСТОЙ ЭНЕРГИИ.
ОПИСАНИЕ, являющееся частью патента № 685958, от 5 ноября 1901 года.
...Моя настоящая заявка основана на открытии, которое я сделал, что когда вышеупомянутые лучи или излучения такого типа имеют возможность упасть на изолированное проводящее тело, соединенное с одной из обкладок конденсатора, в то время как другая его обкладка используется независимыми средствами для приема или вывода электричества, ток течет в конденсатор до тех пор, пока изолированная пластина подвергается воздействию лучей, и при ниже указанных условиях неограниченное накопление электрической энергии имеет место в конденсаторе.
Эта энергия через соответствующий временной интервал, в течение которого лучи имеют возможность действовать, может проявляться в виде мощного разряда, который может быть использован для работы или управления механическими и электрическими устройствами или оказаться полезной во многих других сферах.
При применении моего открытия я использую конденсатор, желательно значительной электростатической емкости и подключаю одну из его обкладок к изолированной металлической пластине или другому проводящему телу, подвергаемому лучам или потокам лучистой материи.
Очень важно, особенно учитывая тот факт, что электрическая энергия обычно поставляется очень медленными темпами в конденсатор, конструировать последний с величайшим вниманием. Я использую, предпочтительно, наилучшее качество слюды в качестве диэлектрика, принимая все возможные меры предосторожности в изоляции обкладок, с тем чтобы прибор мог выдерживать значительные электрические напряжения без утечки и мог не оставлять заметной наэлектризованности при мгновенной разрядке..Очевидно, что вышеупомянутые меры предосторожности должны быть тем более строго соблюдены, чем медленнее темп зарядки и чем меньше временной интервал, в течение которого энергия может накапливаться в конденсаторе.
Изолированная пластина или проводящее тело должны представлять наибольшую практически возможную поверхность для лучей или потоков частиц, я убедился, что количество энергии, переданной за единицу времени, при прочих равных условиях, пропорционально площади облучения.
Кроме того, поверхность должна быть чистой и по возможности тщательно отполированной или амальгамированной. Второй терминал или обкладка конденсатора может быть подключена к одному из полюсов батареи или другому источнику электричества или к любому токопроводящему телу или объекту с такими же свойствами или так обусловлено, что с помощью этих средств электричество требуемого знака будет поставлено на обкладку.
Простой способ подачи положительного или отрицательного электричества на обкладку заключается в том, чтобы подключить ее либо к изолированному проводу, поддерживаемому на некоторой высоте в атмосфере, либо к заземленному проводнику, первый, как хорошо известно, обеспечивает положительное, а последний отрицательное электричество.
Поскольку лучи или предполагаемые потоки вещества обычно сообщают положительный заряд первой обкладке конденсатора, которая соединена с пластиной или вышеуказанным проводником, я обычно подключаю вторую обкладку конденсатора к земле, что является наиболее удобным способом получения отрицательного электричества, устраняя тем самым необходимость обеспечения искусственного источника.
Чтобы использовать для каких-либо полезных целей энергию, накопленную в конденсаторе, я кроме того подключаю к обкладкам последнего схему, включающую прибор или устройство, который желательно эксплуатировать и другой прибор или приспособление для попеременного замыкания и размыкания цепи.
Последнее может быть любой формы цепь-регулятор, с неподвижными или подвижными элементами, или электродами, которые могут приводиться в действие либо накопленной энергией, либо независимыми средствами.
В итоге весь патент сводится к заряду конденсатора статическим напряжением и разряду через ключ на нагрузку.
Реально скорость заряда конденсатора низкая, рабочая частота ограничена где-то на уровне 20 кГц.
...Электрические импульсы должны быть полностью или по крайней мере преимущественно одного знака. Если работают обычные симметричные переменные токи, то следует предусмотреть, чтобы на пластину P попадали лучи только в те периоды, когда они являются продуктом желаемого результата
...Кроме того, следует понимать, что любая форма прерывателя цепи может быть использована вместо устройства конкретно описанного на рисунке, который будет реагировать или включать процесс, когда заранее заданное количество энергии сохраняется в конденсаторе, а также специальные детали конструкции и расположение некоторых частей аппарата могут очень сильно отличаться от описанных в изобретении.
Вилка Авраменко нам в помощь.
-
Val
- Сообщений: 57
- Зарегистрирован: 21 дек 2023, 03:31
Re: Качер Бровина
zhelj писал(а):Вы посвящённый во что?
Как я сейчас понимаю - в "египетские мистерии"....
(или как вы себе представляете, что жрецы жили в пирамидах, а копоти от факелов на потолке нет и не было?.. ))))))) )
- ale
- Сообщений: 219
- Зарегистрирован: 30 авг 2020, 11:12
Re: Качер Бровина
Вспомнил про один свой эксперимент из далёкого детства ( наверно навеяло атмосферным электричеством)....
Была хорошая антенна между домами.
Ради интереса собрали с товарищем вот такую схему, прикрутив антенну и заземлив
угольный микрофон на батарею.
Устойчивый приём был на карманный радиоприёмник СОКОЛ с ферритовой антенной в радиусе 20...30 м. от антенны.
Передача чётко ловилась в начале СВ диапазона.
Но на ламповый радиоприёмник, как не крутили, поймать ничего не удалось.
Вот оказывается ещё когда начал ставить опыты со свободной энергией !
p/s
Справочно :
- чувствительность радиоприёмника 4-го класса ''Сокол'' 0,6 мВ/м в СВ диапазоне.
- любая антенна имеет свои конструктивные емкости и индуктивности, а значит является
распределённым колебательным контуром.
Была хорошая антенна между домами.
Ради интереса собрали с товарищем вот такую схему, прикрутив антенну и заземлив
угольный микрофон на батарею.
Устойчивый приём был на карманный радиоприёмник СОКОЛ с ферритовой антенной в радиусе 20...30 м. от антенны.
Передача чётко ловилась в начале СВ диапазона.
Но на ламповый радиоприёмник, как не крутили, поймать ничего не удалось.
Вот оказывается ещё когда начал ставить опыты со свободной энергией !
p/s
Справочно :
- чувствительность радиоприёмника 4-го класса ''Сокол'' 0,6 мВ/м в СВ диапазоне.
- любая антенна имеет свои конструктивные емкости и индуктивности, а значит является
распределённым колебательным контуром.
- ale
- Сообщений: 219
- Зарегистрирован: 30 авг 2020, 11:12
Re: Качер Бровина
В сети каких-только свойств не приписывают качеру.
Вот например очередной СЕ опус:
https://disk.yandex.ru/i/58gh0lEj8bvAlQ

Вот например очередной СЕ опус:
https://disk.yandex.ru/i/58gh0lEj8bvAlQ
- Rabbit
- Сообщений: 98
- Зарегистрирован: 17 ноя 2023, 20:35
Re: Качер Бровина
ale писал(а):В сети каких-только свойств не приписывают качеру.
Вот например очередной СЕ опус:
https://disk.yandex.ru/i/58gh0lEj8bvAlQ
Качер должен заряжаться без выпрямительных диодов, а не так как у этого шнобеля, через выпрямитель.
- ale
- Сообщений: 219
- Зарегистрирован: 30 авг 2020, 11:12
Re: Качер Бровина
Регистрация гравитационной волны.
Довольно подробное изложение.
На мой взгляд можно было немного изменить условия регистрации, например наклеив на торцы Al - цилиндра плоские конденсаторы и регистрировать дифференциальное изменение статики на них.
Из теории доменов Ф.В. следует, что гравитация и радиантный ток - суть одна, но только на разных частотах.
Вывод :Хороший НЧ качер_3 задействовал Тесла !
phpBB [media]
Довольно подробное изложение.
На мой взгляд можно было немного изменить условия регистрации, например наклеив на торцы Al - цилиндра плоские конденсаторы и регистрировать дифференциальное изменение статики на них.
1896 год, Нью-Йорк, улица Ист Хьюстон, 48, здание средневековой постройки. Здесь жил один гениальный ученый. Его имя Никола Тесла. Он специализировался в исследованиях электромагнитных волн, высоких частот и высоких напряжений.
В то время он проводил эксперименты по низкочастотным автоколебаниям. Однако эти колебания вызвали резонанс в другом приборе внутри лаборатории. Резонировавшие колебания становились все сильнее и сильнее. От страшных колебаний затрясся пол и зазвенели стекла в окнах. Это говорило об успешности эксперимента. Эксперимент был слишком удачным. Система раскачивалась все сильнее и сильнее, лопнули стекла, и передавались такие сотрясения, что дом мог разрушиться. Тесла, почувствовав опасность, сломал прибор, испускающий колебания.На самом деле сотрясалось не только это здание. На углу Манхеттена раздался странный звук и возникли сильные вибрации. Из окон начали сыпаться стекла, в каждом месте каскадом лопались газовые трубы, трубы отопления и водопроводы.
Это было "Большое Нью-Йоркское землетрясение" Николы Теслы.
Из теории доменов Ф.В. следует, что гравитация и радиантный ток - суть одна, но только на разных частотах.
Вывод :Хороший НЧ качер_3 задействовал Тесла !
-
waw
- Забанен за флуд

- Сообщений: 73
- Зарегистрирован: 14 дек 2023, 18:49
Re: Качер Бровина
Катушка Тесла тратит немало энергии для своей работы. Сопротивление первичной обмотки 4-6 витков об многом говорит кто знает закон Ома. Не к чему эта катушка, если можно подсоединить любую цепь на прямую к эл. сети. Самое гласное забыли сказать, какой марки тот конденсатор и на сколько Вольт. Может быть его заряжать эбонитовой палочкой.
- ale
- Сообщений: 219
- Зарегистрирован: 30 авг 2020, 11:12
Re: Качер Бровина
waw писал(а):Катушка Тесла тратит немало энергии для своей работы. Сопротивление первичной обмотки 4-6 витков об многом говорит кто знает закон Ома. Не к чему эта катушка, если можно подсоединить любую цепь на прямую к эл. сети. Самое гласное забыли сказать, какой марки тот конденсатор и на сколько Вольт. Может быть его заряжать эбонитовой палочкой.
...можно подсоединить любую цепь на прямую к эл. сети ???
Это ты о чём ?