Устройство для путешествий во времени General Electric [C204]

Сборник интересных и полезных книг, брошюр, статей, видео, текстов и изображений по теме времени, физике, и пр.
Размещать разрешено только оформленный материал.
Дискуссии и обсуждения запрещены (будут удаляться).

Модератор: Princess

Сообщение
Автор
Аватар пользователя
x_name41
Сообщений: 22
Зарегистрирован: 02 авг 2021, 14:27
Контактная информация:

Устройство для путешествий во времени General Electric [C204]

#1 Сообщение x_name41 » 29 дек 2022, 06:13

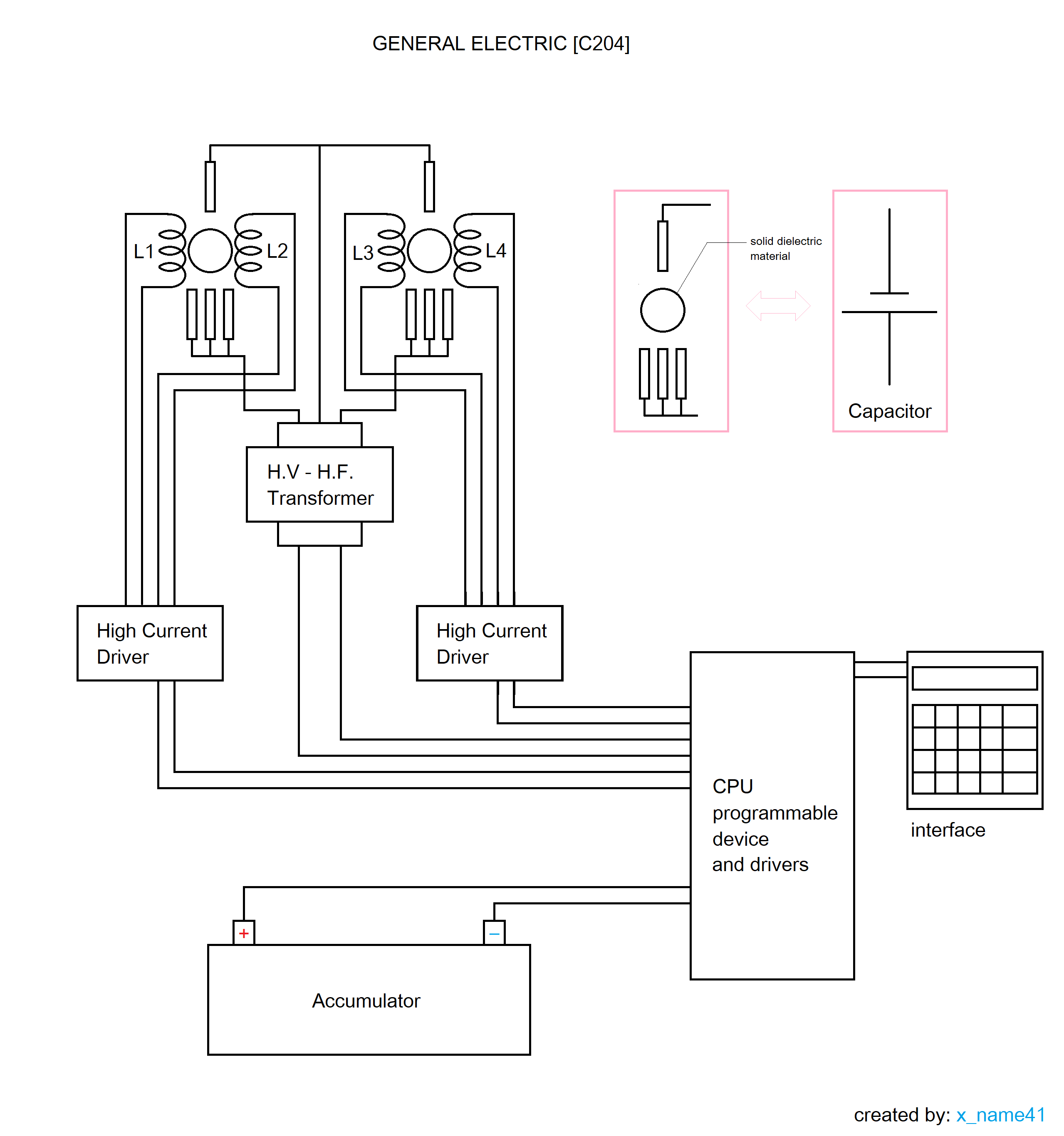
недавно в интернете появилась история о путешественника во времени Джон Тайтор который дает интересные технические подробностях о сам прибор который использовал для путешествия во времени. Из то что известно для сам принцип работа устройство, в общем идет речь о мощное электромагнитное устройство с ЦПУ управлением, которое использует скрещивание магнитная составляющая и электрическая которое осуществляется в двух, так называемые: "сферах Кер" где имеется двух сингулярностей из которые формируется отрицательные и положительные времевые полях которые сопровождается от оффсетной зоне безопасности и оффсетной зоне массу и т. д., согласно изображениях которые он предоставил. Питание системму осуществляется из акуммуляторной батарею которая связанна с источника ВВ напряжения и источника большого тока которые управляется индивидуально по амплитуду, частоту и фазу из ЦПУ и таким образом через комбинацию из параметров дается нужная дестинация во времени...

хотел отметить важную подробность. Многие критикует и думают что прогнозы которые дал путешественника во времени не сбылис и он просто шарлатан, но на самом деле они не умеют думать правильно потому что они не учитывают и анализирует остальные подробностях из его объяснениях, которые относится к специфику эту тему. Если посмотрим мы увидим что в процесс путешествия во времени можно попасть в другую времевую линию, где события существенно отличаются от тех которые произходят в нашу времевую линию и это будет ответ почему его предсказаниях не сбылись, на самом деле они реальность но в другую времевую линию [он просто дал прогнозу для другую времевую линию в которую мы находимся или не находимся и из которую он наверно пришел в нашу времевую линию], а также у нее есть некоторые нюансы которые присутствоет и в нашу времевую линию

с учета то что данно, думаю это устройство имеет некоторую связь с Бифельда Брауна и электрогравитацию а также с так называемой "летательный аппарат Алексея Чекуркова" у который тоже есть скрещивание магнитной и электрической компонентой... ИМХО

John Titor time travel chart.jpg


и мой перевод с означениям на болгарском:

schematic of the C204 Gravity Distortion Time Displacement Unit
schematic of the C204 Gravity Distortion Time Displacement Unit.jpg


GE C204.png


вот еще одна подобная схема с скрещивание магнитной и электрической компонентой:

AN00008.jpg


johntitor_schematic.jpg


ссылка на статию: https://www.bibliotecapleyades.net/cien ... itor03.htm

видео:

מוזיקה מאריכה חיים

Вернуться в «Наша библиотека»