СВЯЗЬ С ОБЪЕКТАМИ С ПОМОЩЬЮ ГРАВИТАЦИОННЫХ ВОЛН
Цель данной работы: показать возможность передачи информации на определенные расстояния с помощью гравитационного поля, которое позволяет передавать информацию от электрона к протону и от протону к нейтрону. Идея заключается в построении систем передачи информации с помощью гравитационных волн можно осуществить связь со спутниками, а они уже непосредственно передать непосредственно сигналы наземным центрам связи.
Доказательство того, что гравитационное поле подобно электромагнитному, является большим достижением избранной модели физики. Этим вопросом занимается квантовая хромодинамика, в дальнейшем КХД. Гравитационные поля могут взаимодействовать между собой, а уравнения, описывающие гравитационные поля, могут быть нелинейными.
Кванты гравитационного поля являются векторными частицами, но, тем не менее, с помощью механизма спонтанного нарушения симметрии гравитационные поля приобретают определенную массу и направленность. В свое время американские ученые Янг и Милс обнаружили тесную связь между геометрией и физическими свойствами частиц. Тем самым был найден путь к объединению электромагнитного, слабого и гравитационного взаимодействия. Это калибровочные теории объединения, индексы которых su(1)…. su(8).
Нелинейность уравнений гравитационного поля делает их весьма сложными, решения которых вызывают значительные трудности. Запишем уравнения гравитационного взаимодействия, исходя из классической физики. Оно будет выглядеть следующим образом:
где m - массы тел;
v - его скорость;
r - расстояние между ними.
Созданная модель физики КХД создает реальные предпосылки для создания единой теории калибровочных полей. Наблюдение за веществом Вселенной показывает, что она состоит из частиц и силовых полей. Это дает ответ на то, как объединить поля и частицы. Исходя из этого, составим уравнение суперсимметрии гравитационного поля su(8) на основании закона сохранения и превращения энергии, из которого можно определить массы и напряженности частиц гравитационного поля. Это уравнение аналогичное уравнению (1) в квантовой хромодинамике с учетом формулы Эйнштейна (2):
где Е – энергия;
С - скорость света;
М - масса частицы.
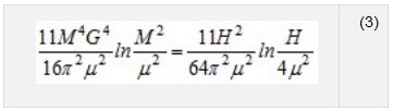
будет выглядеть следующем образом (3)
где M – масса гравитона;
=0,1,2,3… точки нормировки;
H– напряженность гравитационного поля;
G– гравитационная постоянная.
Уравнение (3) составлено с учетом принципа квантовой хромодинамики для элементарных частиц называемых гравитонами.
Для решения уравнения (3) применяем z-преобразование, тогда (3) принимает вид (4):
где:
В результате ряда преобразований и перехода от натурального логарифма к десятичному уравнение (3) принимает вид (5).
После обратного z-преобразований уравнение (5) принимает вид (6) и (7).
Тогда масса частицы под названием гравитон со спином равным 2 и напряженность гравитационного поля будет выражена по формуле (8) и (9). Это является алгоритмом решения уравнений (6) и (7).
Таким образом из уравнения (8) и (9) можно определить массы частиц квантов гравитационного поля и напряженности гравитационного поля. В (3) было показано единство гравитационного и электромагнитных полей, что позволяет разработать передатчик гравитационных волн, а приемником в этой системе может быть телевизор, радиоприемник или радиотелефон.
При связи электрона с ядром в качестве передающей или приемной антенн для протона и электрона в ядре может быть взято расстояние между ними, а вот для связи космического спутника с луной или планетами, галактиками или любым объектом передающей антенной может быть взято расстояние между ними. Например, для осуществления связи Луна-Земля расстояние d между ними может служить в качестве передающей антенны.
В космической связи частота излучения может быть определена по известной формуле (10):
где d – расстояние между объектами связи.
Для связи с микрообъектами частота излучения гравитационного тела будет очень большой и наоборот при связи с планетами, спутниками очень мала.
При связи электрона с протоном в атоме d=10-13м, поэтому частота излучения составит Гц. При использование гипервысокой частоты, потери информации будут значительными. Поэтому гравитационные волны будет выгоднее применять для связи с объектами, расстояние между которыми значительно превышает расстояние между протоном и электроном.
Следует отметить важный фактор, чем больше расстояние между объектами, тем меньше будут потери информации.
Исходя их этих рассуждений, можно предложить схему связи передатчика информации, например с космическим кораблем, с помощью гравитационных волн.
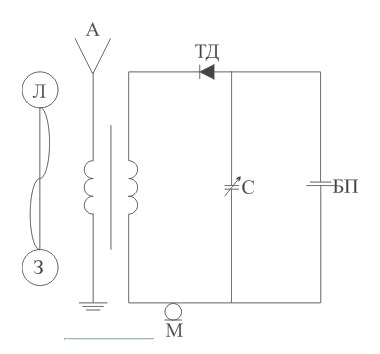
Рассмотрим схему приемника и передатчика (рисунок 1) гравитационных волн, она будет выглядеть следующим образом:
А – антенна для передачи информации с помощью гравитационных волн в эфир;
Л - Луна;
З - Земля;
ТД – туннельный диод с v-образной вольт-амперной характеристикой, тиристор с N - образной вольт-амперной характеристикой. ТД формирует электрические импульсы;
С – конденсатор переменной емкости, на который действуют гравитационная волна. Он является основным элементом передатчика информации с помощью гравитационных волн. Он может иметь особую конструкцию;
М – микрофон служит модулятором гравитационных импульсов. Это может быть обыкновенный микрофон, с помощью которого можно подавать команды, тем самым связывать прибор приемника с помощью антенны А с абонентом, т. е. центром космической связи;
БП - батарея питания схемы приемника и передатчика гравитационных волн.
Рисунок 1 - Приемник и передатчик гравитационных волн
В этой схеме туннельный диод ТД или тиристор служит как генератор импульсов, как детектор и как смеситель гравитационных импульсов с командами, передаваемыми по микрофону М оператором. Также он работает как усилитель коэффициентом усиления, определяемым согласно формуле (11):
где Uвых - амплитуда выходного напряжения;
Uвх - амплитуда входного напряжения.
При попадании гравитационной волны на устройство с конденсатором переменной емкости и сгенерированный импульс от тиристора или туннельного диода может смещаться вдоль оси Х от нуля до
Возникает многофакторная зависимость, при увеличении амплитуды гравитационной волны, увеличивается емкость конденсатора и возникает больше смещение электрического импульса вправо от 0 до
На электрический импульс гравитационной волны накладывается колебание звуковой частоты от модулятора. Эти импульсы передаются в эфир с помощью антенны А. Эти импульсы содержат информацию о величине гравитационной волны и команды, передаваемые с микрофона М оператором. Тем самым осуществляется связь объекта с передатчиком. В качестве объекта может быть космический корабль или луна, планета, галактика.
Данное устройство позволит вести геолого-разведочные работы не только на Земле, но и на Луне, планетах и даже галактике.
Здесь используется принцип, что чем выше удельный вес полезного ископаемого, тем точнее будет показывать устройство расстояние до него. Возможно даже определить площадь рудного тела с помощью предложенного устройства с использованием гравитационных волн. На рисунке 2 представлен частотно модулированный передатчик и приемник гравитационных волн для геологоразведочных работ.
Рисунок 2 - Частотно модулированный передатчик и приемник информации для геологоразведочных работ
Предлагаемый частотно модулированный передатчик для геологоразведочных работ может найти применение в горах, пустынях, в океане, на Луне, планетах.
Параметры гравитационной волны определяются расстоянием от объекта до абонента d. Частота излучения гравитационного поля определяется по (10). Длина гравитационной волны определяется как
На основе вышеизложенного можно сделать следующие выводы:
Расчеты гравитационного поля по уравнению (3) показывают, что гравитационное поле схоже по своим свойствам с магнитным полем, поэтому создается перспектива использования гравитационного поля для передачи информации в космических масштабах. С помощью полученного алгоритма уравнений (5), (6), (7) можно определить массу квантов частиц гравитационного поля, так называемых гравитонов со спином равным двум единицам и напряженность гравитационного поля. На основе расчетов по уравнениям (6), (7) и разработанной теории был предложен упрощенный передатчик информации для связи космического спутника с центром космической связи. При использовании данного передатчика потери информации для нанотехнологий будут значительны, поэтому выгоднее применять передачу информации с помощью гравитационных волн в случае больших расстояний между объектами связи. Предложенный в работе передатчик может быть использован для геологоразведочных работ при поиске полезных ископаемых в пустыне, горах, океане, на Луне и даже на других планетах.
Список использованной литературы
http://ru. wikipedia. org Л. Райдер «Квантовая теория поля» Phys 1959 Исследования уравнения Янга - Миллса. ПК «Казахстан 2030» (24-25 июля 2008г.) Математическая модель теории электромагнитного и гравитационного взаимодействий. ПК Наука и образование - ведущий фактор стратегии «Казахстан 2030» июнь 2008г. , «Радиоэлектроника» К. В.К. 2007
Связь с объектами с помощью гравитационных волн
Модератор: Princess
- Princess
- Системный администратор

- Сообщений: 519
- Зарегистрирован: 16 янв 2020, 21:34
- Откуда: Moscow
- Контактная информация:
-
waw
- Забанен за флуд

- Сообщений: 71
- Зарегистрирован: 14 дек 2023, 18:49
Re: Связь с объектами с помощью гравитационных волн
Princess писал(а):СВЯЗЬ С ОБЪЕКТАМИ С ПОМОЩЬЮ ГРАВИТАЦИОННЫХ ВОЛН
Нелинейность уравнений гравитационного поля делает их весьма сложными, решения которых вызывают значительные трудности. Запишем уравнения гравитационного взаимодействия, исходя из классической физики. Оно будет выглядеть следующим образом:
где m - массы тел;
v - его скорость;
r - расстояние между ними.
*******************************************************
Совмещаете несовместимое. Кинетическую энергию Земли и гравитацию.В итоге
5,9722 × 10^24 × 900 / 2 = 2,68749 × 10^27 Джоулей
2,68749 × 10^27Дж.=9,8 м/сек².

А это вообще чудо природы. Электро логарифмическая гравитация.
